Legend 纖維增強水泥板
以水泥與礦物纖維為主要材料,經高壓成型與養護製程製成,具備良好的結構強度與尺寸穩定性,並兼具防火、防潮與耐久等特性。板材提供多種厚度與尺寸規格,可依工程需求選用,常搭配輕鋼骨架系統應用於住宅、辦公室、商業空間與公共建築等室內隔間牆系統,提升牆體整體性能與施工效率。
High-density fiber cement boards are made from cement and mineral fibers through a high-pressure forming and curing process. They provide good structural strength and dimensional stability, along with fire resistance, moisture resistance, and durability. Available in various sizes and thicknesses, they are commonly used with light-gauge steel framing systems for interior partition walls in residential, office, commercial, and public buildings.


經過多項SGS實驗測試,包括不含石綿、不含甲醛、耐燃一級、容積密度、吸水率與含水率等檢測項目。透過相關測試數據與檢驗報告,可提供工程設計與施工單位評估材料性能之參考依據。
The product has undergone multiple SGS laboratory tests, including asbestos-free, formaldehyde-free, and Class 1 fire resistance evaluations. The relevant test data and inspection reports provide reference information for architects, engineers, and construction teams when assessing material performance for building applications.

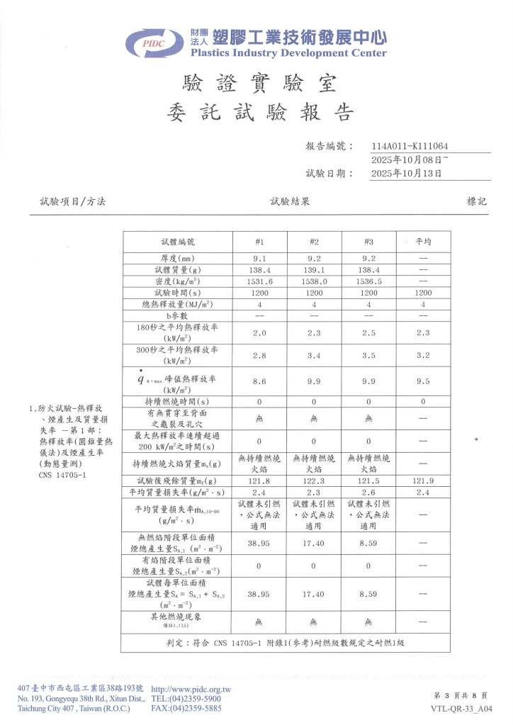
耐燃一級 CNS 14705-1

無石綿 CNS 15546-2

吸水變化 CNS 3802:2024

無甲醛 CNS1349:2024

容積密度 CNS3802:2024

含水率 CNS3802:2024

纖維水泥板為常見的建築板材之一,依不同密度與製造標準,其性能與應用範圍亦有所差異。板材具備良好的防火、防水、隔音與耐久性能,並兼具加工容易與施工便利等特點,廣泛應用於建築室內外牆面、隔間牆與天花板等工程。隨著都市建築發展與安全需求提升,此類板材在現代建築與裝修工程中逐漸成為常見且重要的應用材料。
Fiber cement boards are one of the commonly used building materials. Depending on different densities and manufacturing standards, their performance and application ranges may vary. The boards offer good fire resistance, water resistance, sound insulation, and durability, while also being easy to process and convenient for installation. They are widely used in interior and exterior walls, partition walls, and ceiling systems in building projects. With the continuous development of urban construction and increasing safety requirements, fiber cement boards have become an important and widely adopted material in modern architecture and interior finishing.
纖維水泥板可製厚度約為6–24mm,標準尺寸為2440 × 1220mm,並可依工程需求進行裁切加工,也可訂製較薄或較厚規格之板材,以滿足不同建築應用條件。
*我們提供特殊尺寸訂製
Fiber cement boards are commonly available in thicknesses ranging from approximately 6–24 mm, with a standard size of 2440 × 1220 mm. The boards can be cut and processed according to project requirements, and thinner or thicker specifications can also be customized to meet different architectural application needs.
* Custom sizes are available upon request.
